Sanyo
Trans-World 17H-815 (1966)
Questa
radio, in mio possesso da più di 25 anni, tenuta su uno scaffale per tutto
questo tempo in quanto mi piaceva come oggetto, senza interessarmi del fatto
che funzionasse più o meno bene, fa parte
della categoria definita “TransWorld” ovvero di
quelle radio concepite per ascoltare stazioni radiofoniche anche di paesi molto
lontani da dove ci si trova, dispone infatti di due antenne stilo, due antenne
interne in ferrite e presa per antenna esterna nel caso di utilizzo a bordo di
un autoveicolo. La casa costruttrice dichiarava delle caratteristiche tecniche
molto promettenti, addirittura superiori a radio dal costo molto più elevato,
enfatizzando la presenza di ben 17 transistor con una scritta sul frontale e la
dicitura “super sensitivity”, ma come vedremo in
seguito non è superiore a radio con meno transistor ed alcune delle
caratteristiche dichiarate sono decisamente ottimistiche.
Pubblicità
su una rivista inglese del 1968.
Dopo
i restauri fatti sulla Zenith TransOceanic e sulla
Philips Antoinette, ho deciso di mettere le mani anche su questa in modo da
renderla perfettamente funzionante, su Internet ho trovato il manuale di
servizio per cui l’operazione non dovrebbe presentare particolari difficoltà,
anche perché dal punto di vista estetico è perfetta e probabilmente si tratta
solo di effettuare un po’ di manutenzione con la solita pulizia dei
potenziometri, dei commutatori, ecc., collego quindi al posto delle batterie un
alimentatore stabilizzato regolato a 9V e accendo la radio per provarla; appena
accesa sento che la FM funziona correttamente anche se il suono non è molto
pulito, in particolare sulle basse frequenze che sono piuttosto distorte,
probabilmente qualche condensatore elettrolitico di disaccoppiamento si è
deteriorato con il passare degli anni, cosa piuttosto normale per una radio del
1966, provando le altre gamme d’onda invece sono sorti i problemi, sulle tre
gamme delle onde corte si sentono solo un paio di stazioni, debolissime e solo
con il volume al massimo, sulle onde lunghe nulla (non che ci sia più molto da
ascoltare), sulle onde medie nulla, ma ad un certo punto della gamma verso le
frequenze più basse si innescava prima un forte fischio, seguito da una serie
di forti scariche continuando a scendere di frequenza, capisco a questo punto
che non è solo questione di pulire potenziometri, commutatori e sostituire un
paio di condensatori elettrolitici, ma c’è sicuramente di più da fare.
Inizio
a questo punto a smontare la radio ed apro i due sportelli posteriori, il
primo, inferiore, consente di accedere al vano batterie ed al vano dove va
inserito l’alimentatore di rete (optional non presente sulla mia), il secondo
si apre svitando due viti e consente di accedere a tutto il resto della radio,
noto subito la massiccia presenza di masonite e pannelli di truciolare e sul
fondo, parzialmente nascosto dal vano batterie e dal pannello posteriore con
varie prese e switch, il circuito stampato principale con tutta la sezione ad
alta e media frequenza, il primo particolare che mi ha colpito sono stati i
condensatori variabili, in plastica e di piccole dimensioni, dello stesso tipo
di quelli impiegati su piccole radio portatili, neanche lontanamente
confrontabili con i grossi condensatori variabili ad aria utilizzati sulla
Zenith e sulla Philips, su quest’ultima addirittura montati su sospensioni di
gomma, l’ interno appare piuttosto caotico con molti fili che passano
disordinatamente ovunque, tipica costruzione giapponese anni ’60-’70, per poter
effettuare qualsiasi riparazione è necessario estrarre il telaio completo della
radio dal suo mobiletto e per farlo è necessario rimuovere il vano batterie e
staccare i fili dell’ altoparlante, dello strumentino indicatore del livello
segnale, interruttore AFC e presa antenna esterna, unica nota positiva che sono
muniti di spinotti per cui non vanno dissaldati. A questo punto, dopo aver
rimosso tutte le manopole dal frontale, non resta che svitare sei dadi da 6 mm
per poter estrarre il telaio della radio dal mobiletto.
Il
telaio della radio estratto dal mobiletto.
Questo
è il mobiletto, una realizzazione semiartigianale fatta con pannelli di
materiale truciolare incollati tra di loro e rivestiti di vinile con applicati
sui bordi i profili cromati e davanti la parte metallica e la plastica con la
scala graduata della sintonia, da solo pesa poco meno di 3 kg!
Staccando
il pannello con prese e switch si vede un secondo circuito stampato con la
sezione a bassa frequenza e di lato l’amplificatore finale e l’alimentazione,
in alto a destra si possono notare due trasformatori, sono quello di uscita
audio e quello che pilota i finali, questi ultimi sono degli equivalenti dei
nostrani AC128, difficile credere ad una potenza indistorta
di 2 W (dichiarati 2.000 mW che forse fa più effetto)
ed una potenza massima di 3 W (3.000 mW) quando
transistor equivalenti su radio europee garantivano una potenza di non più di 1
W!
Veduta
dello stadio finale ed alimentazione, in alto si vede uno dei condensatori
variabili, quello delle gamme AM.
Staccato
il pannellino che fa da sfondo alla scala della sintonia vediamo il circuito
stampato lato piste in tutta la sua “magnificenza”, componenti elettronici
saldati direttamente sulle piste ed una moltitudine di collegamenti con fili
volanti che dimostrano una progettazione molto approssimativa, c’è poi una
ragnatela di fili che azionano i condensatori variabili e le lancette della
sintonia con le relative pulegge.
A
questo punto ho iniziato a studiare la documentazione tecnica non potendo non
rendermi conto di quanto sia stata fatta male, sullo schema non c’è alcuna
tensione di riferimento, su molti altri schemi sono indicate numerose tensioni
come ad esempio quelle sui terminali di ogni transistor, quelle principali di
alimentazione, ecc., non ci sono i simboli tradizionali di massa, ma una linea
di massa (collegata al positivo) che percorre tutto lo schema rendendolo ben
poco leggibile, inoltre ho riscontrato numerosi errori, alcuni veramente
palesi, altri meno, ma che cercando di capire il funzionamento diventavano
evidenti anche facendo il confronto con lo schema del modello successivo, la
18H-815, molto simile in molte parti dei circuito, per maggior comodità mi sono
messo a correggerlo e lo trovate in fondo a quest’ articolo insieme a quello
originale non corretto ed a quello della 18H-815. Consultando alcuni forum
stranieri di appassionati ho letto che molti dei problemi di queste radio sono
causati dal deterioramento dei condensatori elettrolitici, alcuni dei quali ho
notato essere già stati sostituiti molti anni fa, per questa ragione ho deciso
di cambiarli tutti, una spesa modesta in termini di materiale, ma che ha
richiesto alcune ore di lavoro.
Un
po’ di condensatori nuovi pronti per la sostituzione di quelli vecchi.
E
questi sono quelli vecchi appena sostituiti, li ho provati tutti con il
multimetro, molti erano fuori tolleranza, alcuni erano proprio fuori uso.
In
alto la scheda di bassa frequenza con alcuni dei condensatori già sostituiti.
Questa
invece è la radio con tutti i condensatori elettrolitici cambiati.
Una
volta sostituiti tutti i condensatori, operazione che ha richiesto la rimozione
di una puleggia dei condensatori variabili ed il distacco delle funicelle della
sintonia che era comunque mia intenzione sostituire, ho provato di nuovo la
radio, la qualità della ricezione FM è diventata molto buona, ma le altre gamme
d’onda presentavano ancora i medesimi problemi, a questo punto, dopo aver
studiato per bene lo schema da me riveduto e corretto, ho iniziato a fare un
po’ di misure, le tensioni su tutti i transistor che rientravano nella
normalità pur non avendo dei precisi riferimenti per cui in alcuni casi le ho
dovute stimare in base al valore delle resistenze presenti, ho provato anche
tutte le giunzioni dei transistor della sezione AM con il prova diodi del
multimetro, ma anche in questo caso non c’era nulla di strano, a questo punto
ho tirato fuori oscilloscopio e frequenzimetro ed ho deciso di “fare sul
serio”, per prima cosa ho verificato il corretto funzionamento dell’
oscillatore locale su tutte le gamme d’ onda, non rilevando particolari
problemi, l’ unico difetto, probabilmente dovuto al condensatore variabile che
ha qualche problema, è che scendendo di frequenza si raggiunge il minimo prima
del fine corsa e poi torna a salire per una piccola parte della corsa prima di
raggiungerne la fine, ma non è certo questa la causa dei problemi, ho anche
controllato i range di frequenza dell’ oscillatore
nelle varie gamme d’ onda rendendomi conto che la copertura non è quella
dichiarata dal costruttore, probabilmente a causa dei problemi del condensatore
variabile, anche tarando i trimmer capacitivi presenti per ogni gamma posso
spostare in alto o in basso l’ intero range, ma non
estenderlo com’è ovvio, dovrò valutare se sia il caso di sostituire il condensatore
variabile, ma dovrò adattarne uno in quanto l’ originale è introvabile. Mi sono
poi accorto che la frequenza della gamma delle onde medie scendeva ben al di
sotto di quella minima prevista e questa era la causa del fischio che si
innescava quando si scendeva al di sotto di un certo limite, l’ho ritarato al
corretto valore ed il fischio è sparito, ma si continua a sentire poco o nulla.
Controllo
dell’oscillatore locale, frequenza di 4,0 MHz.
A
questo punto ho iniziato a seguire il segnale con l’oscilloscopio, sul
collettore del TR7 il segnale era regolarmente presente, ma sulla base del successivo
TR9 era invece molto attenuato, ho pensato subito ad un problema del
trasformatore accordato T-13, ma sapendo che sono componenti molto affidabili
che raramente danno problemi ho pensato che fosse un problema di taratura, ho
segnato la posizione iniziale dei nuclei in ferrite ed ho iniziato a girarli
lentamente entrambi in un senso e nell’ altro dopo aver sintonizzato una delle
poche stazioni che si riuscivano a ricevere, anche se con un volume molto
basso, in pochi secondi di “smanettamento” il livello
del segnale si è alzato notevolmente ed ha iniziato a ricevere anche altre
emittenti che prima non si sentivano, ho ripetuto l’ operazione anche con i
successivi T-14 e T-15 ed alla fine si sono iniziate a sentire molte emittenti
anche in onde medie e lunghe (in particolare in orari serali), con un volume
confrontabile con quello della FM; so che non sarebbe la procedura corretta per
tarare gli stadi a media frequenza, ma non disponendo di un generatore di
segnali direi che posso essere soddisfatto del risultato ottenuto. Non resta a
questo punto che sostituire tutte le cordicelle della sintonia, che sono ben
quattro, operazione che richiede il suo tempo.
Le
prime due cordicelle sono state montate, sono quelle che azionano i
condensatori variabili dalle due pulegge di rinvio, adesso bisogna montare
quelle lunghe che collegano gli alberini di azionamento ai rinvii ed agli
indici della sintonia. In questo momento la radio sta funzionando sintonizzata
sulla frequenza di 12 MHz, quella indicata dal frequenzimetro è quella
dell’oscillatore locale che lavora ad una frequenza superiore di 455 kHz che è
quella della media frequenza utilizzata su questa radio.
Qui
sono state montate le altre due cordicelle con gli indici della sintonia che ho
riverniciato di colore bianco, molto più visibili del rosso originale sullo
sfondo nero.
Adesso
è il momento di tarare i due indici della sintonia, dopo aver posizionato il
telaio nel mobiletto si può procedere: per la FM è molto semplice, basta
sintonizzarsi su una stazione radio a metà scala con una radio dotata di
sintesi di frequenza in modo da conoscerla con precisione, poi si cerca la
medesima stazione con la radio da tarare e se l’indice non corrisponde al
valore corretto della frequenza lo si può spostare regolando il compensatore
Ct-2 presente nel condensatore variabile della FM che agisce sull’oscillatore
locale; per l’AM invece le cose sono più complicate, va tarata
indipendentemente ogni gamma agendo sui 5 compensatori da Ct-8 a Ct-12,
portando l’ indice a metà scala e misurando la frequenza dell’oscillatore
locale che dovrà corrispondere a quella segnata dall’indice maggiorata di 455 kHz, operazione semplice in teoria,
peccato che con l’ indice a metà scala la frequenza sintonizzata e ben lontana
da quella indicata e non c’è modo di arrivarci agendo sui compensatori e questo
succede per tutte le gamme AM tranne quella dei 49m, inoltre misurando la
frequenza dell’ oscillatore locale lungo tutta l’ escursione della sintonia
noto uno strano difetto, a inizio scala la frequenza è nettamente superiore a
quella che dovrebbe essere, girando il condensatore variabile per aumentarla,
questa diminuisce per il primo quarto della scala raggiungendo un minimo, che
tuttavia è sempre notevolmente superiore a quello che avrebbe dovuto essere a
inizio scala, poi la frequenza inizia a salire fino alla fine della scala, ma
anche in questa posizione il massimo è decisamente inferiore a quello avrebbe
dovuto essere, anche questo difetto si manifesta su tutte le gamme eccetto
quella dei 49m. Consultando lo schema vedo che l’ unica cosa che hanno in
comune è il condensatore variabile VC-5 che è meccanicamente accoppiato con i
VC-3, VC-4 e VC-7, decido quindi di staccarlo per poterlo controllare bene e
provare; la copertura di plastica trasparente si rimuove senza particolari
problemi consentendo di vedere l’ interno e si nota subito che una sezione,
proprio quella relativa al VC-5, ha molte lamelle di quelle collegate all’asse
che ruotano sfasate invece di essere tutte allineate come dovrebbero essere,
questo fa sì con il condensatore nella posizione di capacità massima non
raggiunga quella prevista in quanto alcune lamelle rimangono fuori da quelle
fisse, altre ancora escono prima che la rotazione arrivi a fine corsa e questo
causa una diminuzione della capacità causando quei difetti riscontrati, trovare
il ricambio originale è impossibile, sullo schema e sul condensatore non ci
sono indicazioni utili per risalire alle caratteristiche, decido pertanto di
comprarne alcuni, meccanicamente compatibili, è poi vedere come si comportano.

In
queste foto si vede bene il condensatore variabile danneggiato, qualcuno ci
aveva già messo le mani in quando il dado, che risultava allentato, aveva dei
segni, anche alcuni dei sottili fogli isolanti erano danneggiati dalle lamelle
che rientravano dalla parte opposta, ho provato a vedere se si riuscivano a
riallineare, ma è praticamente impossibile. Questo condensatore variabile,
utilizzato solo nella sezione AM, ha 4 sezioni, due a capacità superiore e due
a capacità inferiore, normalmente sono utilizzati nelle radio AM-FM utilizzando
la sezione a capacità inferiore per la gamma FM, in questo caso viene
utilizzato per la gamma dei 49m che ha un’escursione in frequenza molto
limitata, per la sezione FM è presente un secondo condensatore variabile.

Questi
invece sono i condensatori variabili che ho acquistato nelle speranza di
trovarne uno il più possibile simile all’ originale dal punto di vista della
capacità, meccanicamente sono tutti compatibili, sono tutti dotati anche di
trimmer capacitivi alcuni collegati internamente altri hanno connessioni
indipendenti in modo da poter essere collegati al condensatore variabile solo
in caso di necessità; come prima cosa li provo con un capacimetro per avere
un’idea delle loro caratteristiche, ho chiamato sezioni 1-2 quelle di capacità
inferiore e sezioni 3-4 quelle di capacità maggiore:
N.1:
marchiato NCE (a sinistra)
Con
trimmer nella posizione di minima capacità: sezioni 1-2 da 6 a 26 pF, sezioni 3-4 da 6 a 133 pF.
Con
trimmer nella posizione di massima capacità: sezioni 1-2 da 13 a 33 pF, sezioni 3-4 da 16 a 143 pF.
N.2:
marchiato SISTER model MVC 2EFB (in centro)
Con
trimmer nella posizione di minima capacità: sezioni 1-2 da 7 a 26 pF, sezioni 3-4 da 8 a 134 pF.
Con
trimmer nella posizione di massima capacità: sezioni 1-2 da 14 a 34 pF, sezioni 3-4 da 17 a 144 pF.
N.3:
marchiato TWF (venduto come CBM-443BF, a destra)
Con
trimmer nella posizione di minima capacità: sezioni 1-2 da 6 a 26 pF, sezioni 3-4 da 7 a 278 pF.
Con
trimmer nella posizione di massima capacità: sezioni 1-2 da 17 a 38 pF, sezioni 3-4 da 18 a 286 pF.
Con
trimmer delle sezioni 3-4 scollegati: sezioni 3-4 da 6 a 277 pF.
Il
capacimetro utilizzato ha una precisione del 2,5%+5 pF,
ma ha poca importanza dal momento che serve per valutare la differenza tra i
vari condensatori variabili e non il valore assoluto della capacità.
Come
si può vedere dai valori misurati con il capacimetro, i N. 1 e 2 sono
praticamente identici, entrambi hanno tutti i trimmer collegati internamente alle
varie sezioni dei condensatori variabili, il n. 3 ha invece i trimmer delle
sezioni 3-4 con terminali separati che possono essere collegati o meno ai
terminali dei due condensatori variabili, pertanto ho effettuato anche un test
supplementare tenendoli scollegati ed è risultato che con i trimmer nella
posizione di minima capacità i valori della capacità totale è praticamente la
stessa che con i trimmer staccati.
A
questo punto, non avendo la minima idea dei valori del condensatore variabile
montato sulla radio, ma solo che due delle quattro sezioni hanno la capacità
massima molto inferiore a quella delle altre due, monto il N.1 per vedere come
si comporta: dopo alcune prove e misure con il frequenzimetro con i trimmer,
sia del condensatore variabile che quelli della radio, nelle varie posizioni,
riscontro di riuscire a raggiungere senza particolari difficoltà la frequenza
massima di ricezione prevista dalle specifiche della radio, ma la frequenza
minima raggiunta dall’ oscillatore locale rimane molto al di sopra di quella
prevista, questo per quanto riguarda le gamme d’ onda controllate dalle sezioni
3-4 del condensatore variabile, la gamma dei 49 m che invece viene regolata
dalle sezioni 1-2 raggiunge praticamente sia il minimo che il massimo, sarà solo
necessaria un’ accurata taratura ed eventualmente la sostituzione dei
condensatori fissi che si trovano in parallelo a quelli variabili per
correggere il valore e renderlo ottimale; visti i risultati è evidente che la
capacità massima raggiunta dalle sezioni 3-4 di questo condensatore variabile è
di gran lunga inferiore a quella necessaria per poter raggiungere la frequenza
minima prevista.
A
questo punto provo con un altro condensatore variabile, lascio perdere il N.2
in quanto ha caratteristiche quasi identiche al N.1 e pertanto non mi
aspetterei risultati significativamente differenti, monto invece il n. 3 che
dalle prove ho riscontrato la capacità massima delle sezioni 3-4 essere molto
superiore (praticamente il doppio) di quella degli altri due:
Nuovo
condensatore variabile montato, provata la radio è risultato perfetto, restano solo
da tarare i vari trimmer della radio e quelli del condensatore variabile per
far corrispondere al meglio la frequenza ricevuta nella varie gamme d’ onda con
quella indicata dalla lancetta sulla scala graduata. Ho provato tutte le gamme
d’ onda e su tutte si ricevono varie stazioni estere con intensità di segnale
soddisfacente, non resta quindi che richiudere la radio e metterla insieme alle
altre già presenti nella mia collezione.
Sono
anche riuscito a trovare l’alimentatore di rete originale NUOVO negli USA, va
inserito all’ interno della radio in modo da poterla utilizzare in casa senza
doverci mettere dentro le 6 batterie da una torcia, per sicurezza ho cambiato i
due condensatori elettrolitici, saranno stati nuovi, ma vecchi di almeno 50
anni.
Alimentatore
nuovo, direttamente dagli USA, il cavallotto che si vede a sinistra è stato
rimosso dalla finta presa di corrente presente sul pannello posteriore della
radio, sotto al coperchio superiore, serve per abilitare l’alimentazione da
rete, quando si dovesse utilizzare a batterie basta arrotolare il cavo
mettendolo all’ interno ed inserendo la spina nella finta presa di corrente; in
dotazione c’è anche la riduzione per le prese di corrente americane, che
ovviamente da noi non serve, la spina originale e perfettamente compatibile con
le prese di corrente italiane.
Primo
condensatore sostituito, adesso tocca al secondo.
Telaio
inserito nel mobiletto e rimontato pannello posteriore switch e prese, la
grossa presa a sinistra ospita la spina di alimentazione dalla rete elettrica
quando viene utilizzata con le batterie, inserendola si aziona uno switch che
commuta dall’ alimentazione da rete a quella con le batterie.
Rimontato
anche il porta batterie.
Sullo
sportello del vano batterie è presente un’etichetta con le specifiche delle
bande radio ricevute.
Sono
presenti anche i due cilindri di plastica che servono a contenere le batterie.
Sullo
sportello posteriore è presente uno sportellino che copre le prese ed alcuni
switch.
Radio
rimontata e collaudata, perfettamente funzionante in tutte le gamme d’ onda.
Le
due antenne, solo parzialmente allungate per questioni di inquadratura
fotografica.
Sanyo
TransWorld 17H-815, anno 1966.
Qualche
considerazione si deve fare riguardo il manuale di servizio, ne ho visti tanti
in vita mia, ma di fatti così male e pieno di errori non mi era mai capitato di
trovarne, a parte il fatto che manca qualsiasi indicazione delle tensioni di
riferimento e delle regolazioni dei tre trimmer R12 ed R42, che per fortuna ho
trovato su quello del modello più recente 18H-815, ma ci sono anche alcuni
pallini mancanti in presenza di fili connessi ed altri presenti dove non
dovrebbero esserci, come pure alcune linee di troppo ed altre mancanti, mancava
anche la resistenza da 100 Ohm posta in parallelo allo strumentino, senza
questa la radio non potrebbe mai funzionare una volta estratta dal mobiletto
senza lo strumento collegato e probabilmente in quest’ ultimo scorrerebbe una
corrente troppo elevata durante il normale funzionamento. Nelle due immagini
sotto un esempio dei tanti errori:

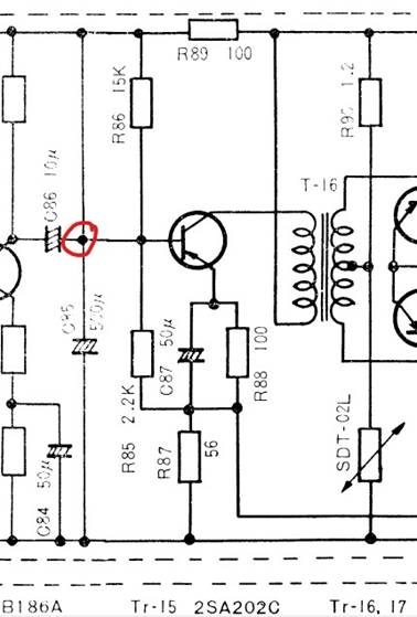
Questo
è l’originale, il pallino cerchiato di rosso non dev’esserci,
cortocircuiterebbe la resistenza R86 e collegherebbe direttamente al negativo
la base del transistor bloccandone il funzionamento.

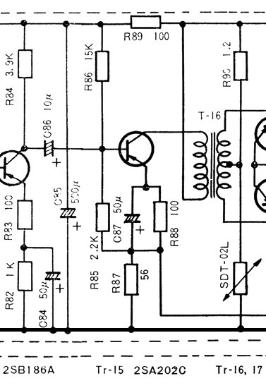
Questo
è com’è stato corretto da me, il condensatore C85 fa da filtro tra il positivo
(sotto) ed il negativo (sopra), il condensatore di disaccoppiamento C86 porta
il segnale audio alla base del transistor Tr-15 dal collettore di quello
precedente, ho anche aggiunto la polarità dei condensatori elettrolitici ed
evidenziato in neretto tutta la linea di massa, che su questa radio è collegata
al positivo delle batterie, in questo modo è molto più leggibile, come aveva
fatto la stessa Sanyo sullo schema del modello successivo 18H-815.
Ho
corretto per quanto possibile tutto lo schema, ovviamente non posso garantire
che qualche altro errore mi sia sfuggito, come pure sullo schema di montaggio
della componentistica sul circuito stampato che non ho osservato più di tanto.
Ho anche capito il perché della presenza in questa radio di tanti transistor
quando la Philips con “soli” 11 transistor non va certo peggio, a parte un
transistor in più necessario per il controllo dello squelch,
assente sulle altre radio, gli altri cinque transistor in più, a cosa servono?
Non certamente a rendere la radio migliore come un profano potrebbe pensare, ma
a semplificarne la progettazione, gli stadi amplificatori a media frequenza
della Sanyo sono completamente sdoppiati tra AM e FM utilizzando un numero
doppio di transistor (3 in più), altre radio come le coeve Philips Antoinette,
Zenith Transoceanic e le Grundig Satellit
(che non sono sicuramente peggiori, anzi…) utilizzano gli stessi transistor per
AM ed FM accoppiando i vari stadi ognuno con due trasformatori accordati, uno
per i 455 kHz dell’AM ed uno a 10,7 MHz per la FM, progetti sicuramente più
complessi, ma che richiedono meno componentistica semplificando il circuito;
gli altri due transistor in più sono utilizzati uno nel preamplificatore di
bassa frequenza ed uno nel tuner FM. Anche la corrente minima assorbita da questa
radio è di 30 mA, contro i 27 della Zenith ed i 22 mA della Philips, sembra poco, ma è il 37% in più ed è pure
un progetto più datato di tre anni, in una radio alimentata a batterie fa una
notevole differenza.
Conclusioni:
questa Sanyo è sicuramente una radio più bella fuori che dentro, ma era venduta
ad un prezzo decisamente inferiore alla concorrenza europea ed americana, e
questo sicuramente poteva incentivare molti acquirenti a sceglierla, anche in
virtù delle caratteristiche dichiarate (ma non sempre rispettate) e dal
notevole numero di transistor presenti che per i profani era spesso un metro di
giudizio. Un appassionato di elettronica non può invece non notare la
progettazione e l’ingegnerizzazione alquanto approssimativa, la qualità della
componentistica in certi casi decisamente inferiore alla concorrenza più
blasonata (vedi i condensatori variabili) e la scelta di alcuni materiali
impiegati per la realizzazione (masonite e truciolare per il mobiletto), resta
comunque un bell’oggetto da collezione, in particolare se perfettamente
funzionante.
Caratteristiche tecniche:
17H-815:
Tensione
di alimentazione: 9V
Alimentazione:
6 batterie tipo D, alimentatore interno D9-815 opzionale.
Semiconduttori:
17 transistor, 6 diodi, 2 stabilizzatori.
Connessioni:
altoparlante esterno/auricolare, antenna auto, MPX, presa DIN per registratore,
alimentatore interno.
Controlli:
volume-ON, toni bassi, toni alti, squelch, sintonia
fine AM, AFC, luce scala (spia rossa accesa con alimentazione esterna), OL, OM,
OC1, OC2, 49m, FM, sintonia AM, sintonia FM, antenna esterna, battery saver, radio/player-tape rec,
player/tape rec.
Sintonizzatori:
2 supereterodina a singola conversione per OL, OM, OC (455 KHZ) e per FM (10,7
MHz).
Potenza
di uscita: 2 W indistorti, 3 W massimi.
Altoparlante:
ellittico 8 Ohm 5”x 7”.
Antenna:
Stilo a doppia sezione per FM e OC, ferrite interna per OC, OM e OL.
Gamme
d’ onda: 6
OL: 150-350 kHz
OM: 520-1.605 kHz
OC1: 2,3-7,3 MHz
OC2: 8-22 MHz
OC3: 5,95-6,20 MHz (49 m)
FM: 87-108 MHz
Documentazioni:
Manuale
di servizio originale 17H-815 > (6,44 MB)
Manuale
di servizio corretto 17H-815 > (1,76 MB)
Manuale
di servizio originale 18H-815 > (1,93 MB)
< Home
page < Indietro >
scrivimi <
Ultima modifica
11/10/2025